| Felhasználás | 1238537, 1238565, 1238568, 1238627, 6847572 FORD/FIAT: 83BB6B092AA, 83BB6B092BA, 83BB6M092BA, 90040992, 90228928, 90240651, 90276101, 90341822, 90464952, 90464952 OPEL: 1238532, 91097769, 91108750 VOLVO: 3650116, 93BB6M092AA, 93BB6M092BA GM: 90040992, FORD: 6143688 |
|---|
TPF/6-12
Cikszám: .TPF/6-12Felhasználás: 1238537, 1238565, 1238568, 1238627, 6847572 FORD/FIAT: 83BB6B092AA, 83BB6B092BA, 83BB6M092BA, 90040992, 90228928, 90240651, 90276101, 90341822, 90464952, 90464952 OPEL: 1238532, 91097769, 91108750 VOLVO: 3650116, 93BB6M092AA, 93BB6M092BA GM: 90040992, FORD: 6143688
11 000 Ft (38%)
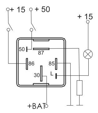
Izzító automata
ENGLISH



